Skip to content.
Skip to navigation
Site Map
Accessibility
Contact
Search Site
Advanced Search…
OKA Portal
Sections
Home
Collaboration
Documents
Events
General Info
Members
News
Subsystems
Personal tools
Log in
Join
You are here:
Home
→
Members
→
MUV3 New Конструкция
→
Drawings (pictures)
→
Sc-r holes
Navigation
Home
Collaboration
Documents
Events
General Info
Members
semenovv
PC
MUV 3 Old
Санпаспорт
HAC
Photon-Veto Na62
RFFI
Rad Bezop
NA 62
MUV 3 Old&New
ОКА
AKM-16
Счета
TDR NA-62
MUV3 New Конструкция
[···]
Drawings
Drawings (pictures)
Ass. Drawing
Спецификация 00
Спецификация 01
1/2 Frame
Sc-r holes
Ошибки в плитах
Последовательность сборки МУВ 3
MUV3 status
Задачи
HPTDC
CHOD
For NA62 16 07 11 meeting
RICH&CHOD
Док Таможня
KLOD
CFD
New CHOD
OLD CHOD
New CFD
MUV0
e/pi regection in tregger
Проект СИВКА
MK адронного сэмплинг калориметра.
KLEVER rep 07.09.16
KLEVER
News
Subsystems
Beam Monitor
OKA Cluster
OKA 3D Interactive View
Document Actions
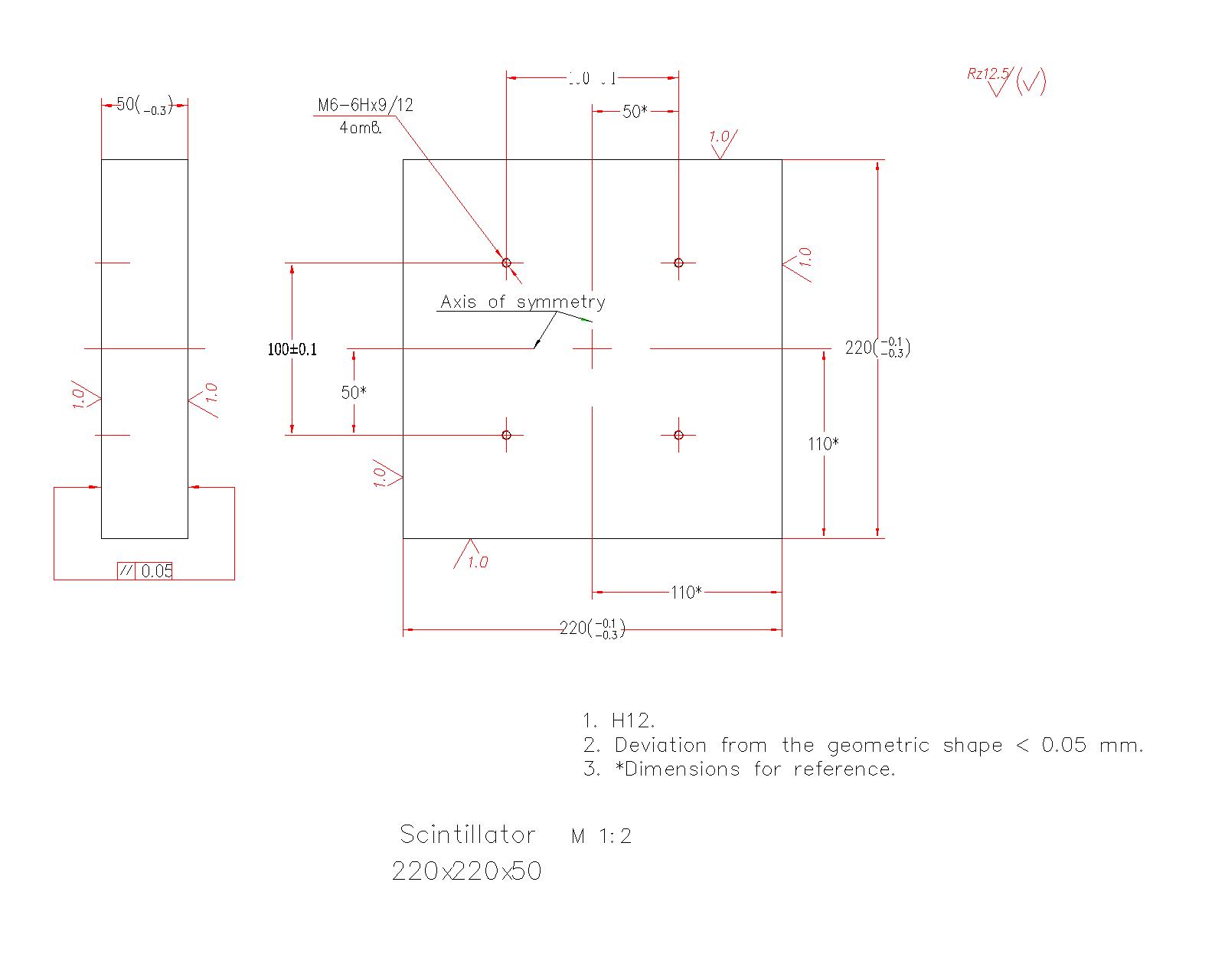
Sc-r holes
Для отверстий в сц-ре
Click here to get the file
Size
89.4 kB
-
File type
image/jpeg
by
Vitaliy Semenov
—
last modified
June 3, 2011 at 16:16
Powered by Plone, the Open Source Content Management System